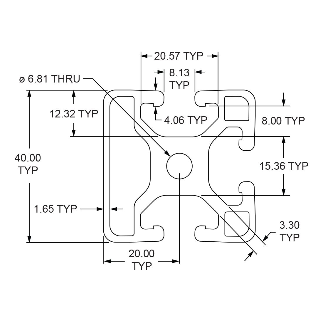
40mm X 40mm T-Slotted Profile – Three Adjacent Open T-Slots
40-4003 is a 40mm x 40mm metric 40 series square T-slot profile with three adjacent open T-slots, one on three 40mm faces. The profile is smooth, which makes it resistant to dirt and debris buildup while also being easy to clean. The 40-4003 profile is compatible with 40 series fasteners. The three closed faces on this profile provide a clean, aesthetic look while also having the capability to mount additional profiles, parts and accessories. It lends itself to furniture, displays, desks, trade show booths, or retail kiosks.
Description
| Max Length (inches) |
238.188976 |
| Series |
40 Series |
| Material |
Aluminum |
| Grade |
6063-T6 |
| Finish |
Anodize |
| Color |
Clear |
| Drop Lock |
2° |
| Moment of Inertia – IX |
9.0094 cm⁴ |
| Moment of Inertia – IY |
8.7823 cm⁴ |
| Surface Area |
6.268 Sq cm |
| Yield Strength |
172.37 N / Sq mm |
| Modulus of Elasticity |
68.947.6 N / Sq mm |
| Weight lbs |
0.0947 per inch |
| Weight |
0.094700 |
Reviews
There are no reviews yet.