Call Us Today03 8907 0262

25mm X 25mm T-Slotted Profile – Two Opposite Open T-Slots

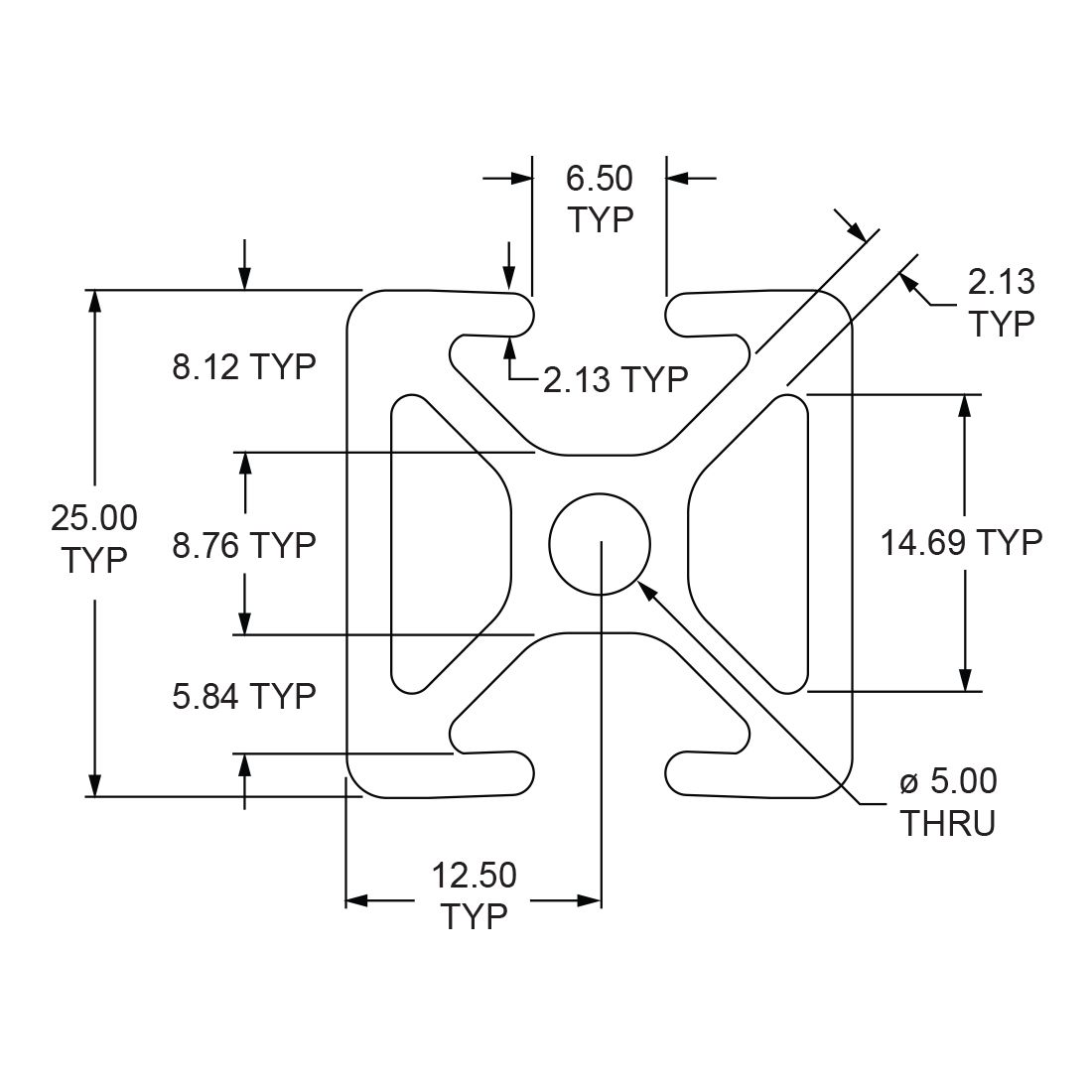
25-2504 is a 25mm x 25mm metric 25 series square T-slot profile with two opposite open T-slots, one on two 25mm faces. The profile is smooth, which makes it resistant to dirt and debris buildup while also being easy to clean. The 25-2504 profile is compatible with 25 series fasteners. The placement of the T-slots allows support structures or panels to be easily placed into them while maintaining a continuous surface, lending itself to projects such as guarding, furniture or displays.

Part No: 25-2504

$0.00

SKU: 25-2504 Categories: , ,

Note: Price Per MM $0.00

Description

Max Length (inches) 238.188976
Series 25 Series
Material Aluminum
Grade 6063-T6
Finish Anodize
Color Clear
Drop Lock
Moment of Inertia – IX 2.2730 cm⁴
Moment of Inertia – IY 1.7761 cm⁴
Surface Area 3.039 Sq cm
Yield Strength 172.37 N / Sq mm
Modulus of Elasticity 68.947.6 N / Sq mm
Weight lbs 0.0459 per inch
Weight 0.045900
80/20

Additional information

Brand

Reviews

There are no reviews yet.

Be the first to review “25mm X 25mm T-Slotted Profile – Two Opposite Open T-Slots”

Your email address will not be published. Required fields are marked *