Call Us Today03 8907 0262

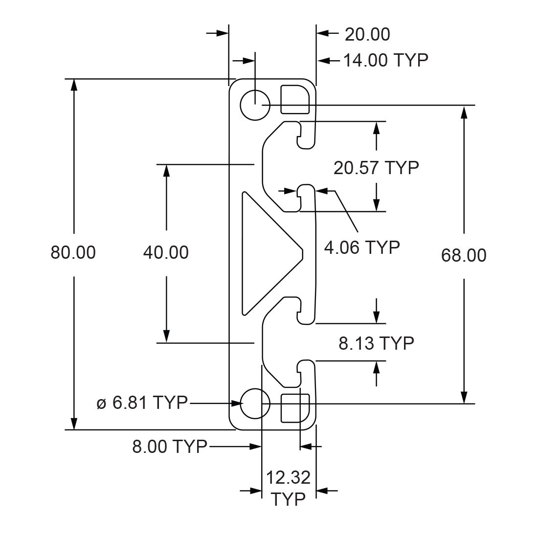
80mm X 20mm T-Slotted Profile – Two Adjacent Open T-Slots

40-8020 is a 80mm x 20mm metric 40 series rectangular T-slot profile with two adjacent open T-slots, two on one 80mm face. The profile is smooth, which makes it resistant to dirt and debris buildup while also being easy to clean. The 40-8020 profile is compatible with 40 series fasteners. It is a thinner profile that connects easily to flat surfaces and works well as a supporting structure or spacer for mounting accessories such as handles, door tracks, rails, valves or sensors.

Part No: 40-8020

$0.00

SKU: 40-8020 Categories: , ,

Note: Price Per MM $0.00

Description

Max Length (inches) 118.110236
Series 40 Series
Material Aluminum
Grade 6063-T6
Finish Anodize
Color Clear
Drop Lock
Moment of Inertia – IX 49.6609 cm⁴
Moment of Inertia – IY 3.7286 cm⁴
Surface Area 8.482 Sq cm
Yield Strength 172.37 N / Sq mm
Modulus of Elasticity 68.947.6 N / Sq mm
Weight lbs 0.1283 per inch
Weight 0.128300
80/20

Additional information

Brand

Reviews

There are no reviews yet.

Be the first to review “80mm X 20mm T-Slotted Profile – Two Adjacent Open T-Slots”

Your email address will not be published. Required fields are marked *