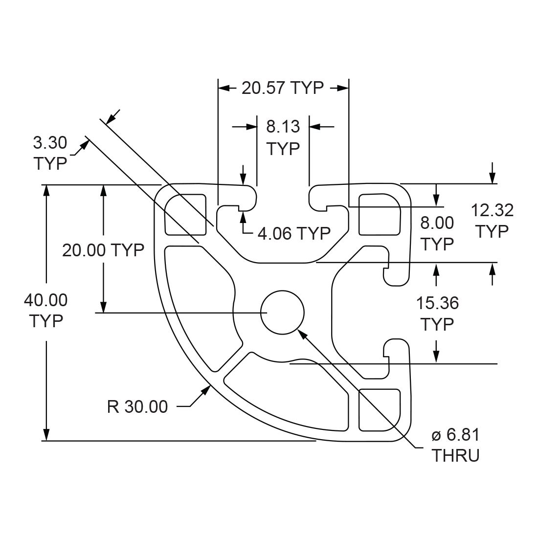
40mm X 40mm Quarter Round Lite T-Slotted Profile – Two Open T-Slots
40-4030-Lite is a 40mm x 40mm metric 40 series quarter round T-slot profile with a 30mm radius curved back and two open T-slots, one on each of the 40mm profile faces. The profile is smooth, which makes it resistant to dirt and debris buildup while also being easy to clean. The 40-4030-Lite profile is compatible with 40 series fasteners. This profile lends itself to workstations and displays because panels or other support structures can be easily placed in the T-slots allowing a continuous surface and aesthetic appearance.
Description
| Max Length (inches) |
238.188976 |
| Series |
40 Series |
| Material |
Aluminum |
| Grade |
6063-T6 |
| Finish |
Anodize |
| Color |
Clear |
| Drop Lock |
2° |
| Moment of Inertia – IX |
7.5590 cm⁴ |
| Moment of Inertia – IY |
7.5590 cm⁴ |
| Surface Area |
5.729 Sq cm |
| Yield Strength |
172.37 N / Sq mm |
| Modulus of Elasticity |
68.947.6 N / Sq mm |
| Weight lbs |
0.0866 per inch |
| Weight |
0.086600 |
Reviews
There are no reviews yet.