40mm X 40mm Lite T-Slotted Profile – Four Open T-Slots
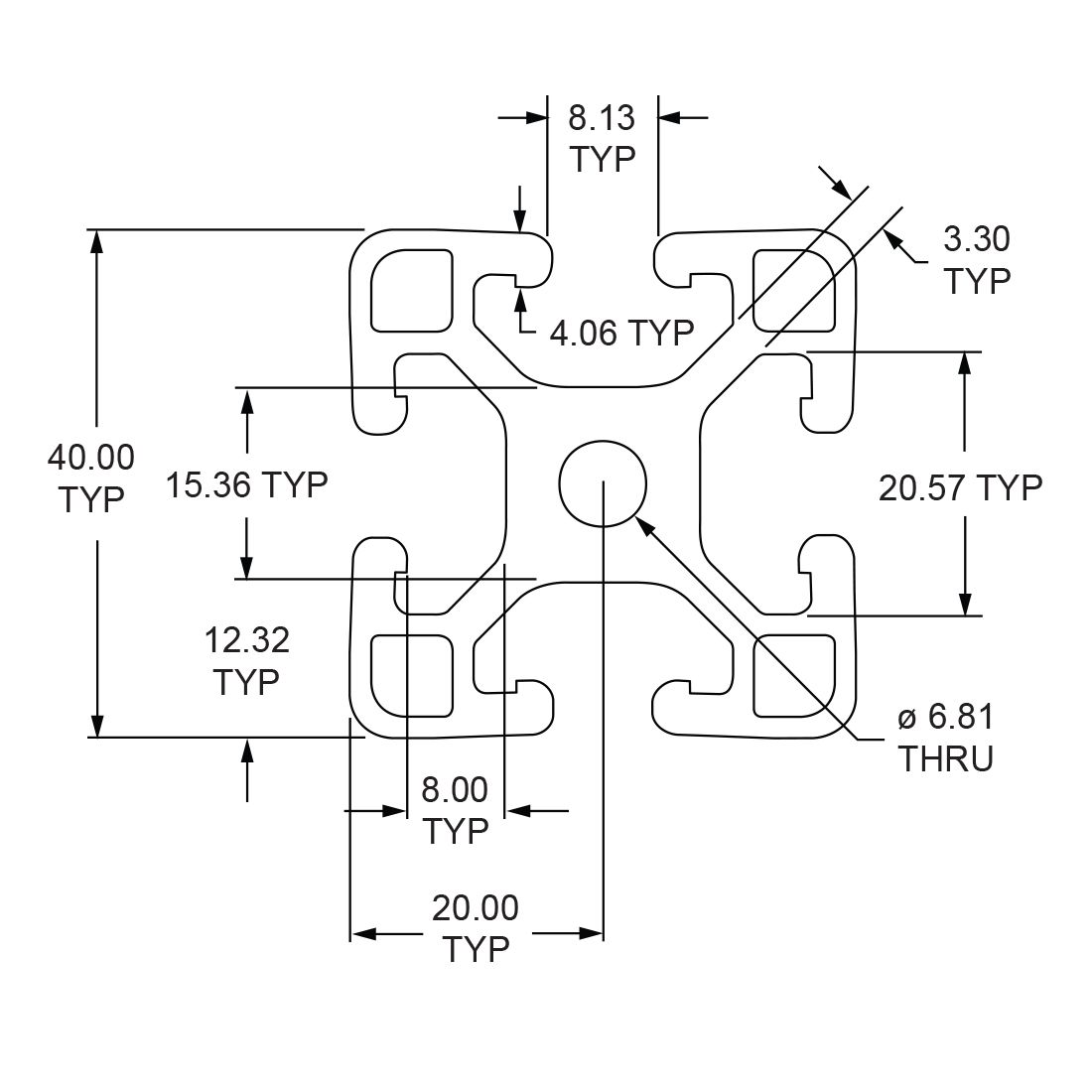
40-4040-Lite is a 40mm x 40mm lite metric 40 series square T-slot profile with four open T-slots, one on each 40mm face. The profile is smooth, which makes it resistant to dirt and debris buildup while also being easy to clean. The 40-4040-Lite profile is compatible with all 40 series fasteners. This profile lends itself to machine guards, enclosures, work benches, or displays. The four open T-slots enable access from any direction and are useful for mounting accessories.
Description
| Max Length (inches) |
238.188976 |
| Series |
40 Series |
| Material |
Aluminum |
| Grade |
6063-T6 |
| Finish |
Anodize |
| Color |
Clear |
| Drop Lock |
2° |
| Moment of Inertia – IX |
9.3983 cm⁴ |
| Moment of Inertia – IY |
9.3983 cm⁴ |
| Surface Area |
6.608 Sq cm |
| Yield Strength |
172.37 N / Sq mm |
| Modulus of Elasticity |
68.947.6 N / Sq mm |
| Weight lbs |
0.0998 per inch |
| Weight |
0.099800 |
Reviews
There are no reviews yet.